|
поиск
в избранное
карта сайта
|
| |
 |
РЕМОНТ ОБСЛУЖИВАНИЕ ЭКСПЛУАТАЦИЯ АВТОМОБИЛЕЙ Фольксваген Пассат Б5. Volkswagen Passat B5 (с 1996 по 2004 год выпуска)
полные технические характеристики. диагностика. электросхемы
|
|
|
|
|
|
 |
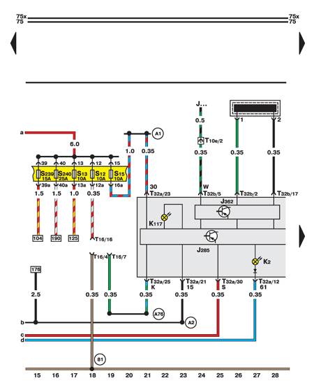
14.35.6. Диагностический разъем, лампы генератора и комбинации приборов
|
|
|
Copyright © 2026 Все права защищены. Все торговые марки являются собственностью их владельцев. |