поиск... в избранное карта сайта
  Audi РЕМОНТ ОБСЛУЖИВАНИЕ ЭКСПЛУАТАЦИЯ АВТОМОБИЛЕЙ
Ауди А3, С3. Audi A3 / S3 (с 1997 года выпуска)

полные технические характеристики. диагностика. электросхемы
 
Главная
 
Audi
A3 / S3
1. Инструкция по эксплуатации
2. Текущий уход и обслуживание
3. Двигатель
4. Системы охлаждения, отопления
5. Системы питания и выпуска отработавших газов
6. Электрооборудование двигателя
7. Ручная коробка переключения передач
8. Автоматическая трансмиссия и модели с полным приводом
9. Сцепление и приводные валы
10. Тормозная система
11. Подвеска и рулевое управление
12. Кузов
13. Бортовое электрооборудование
14. Электросхемы
14.1. Пояснительные замечания к схемам электрических соединений
14.2. Обозначения на электрических схемах
14.3. Соединения массы (только для стран c холодным климатом)
14.4. Соединения массы
14.5. Аккумуляторная батарея, стартер, генератор, главный блок предохранителей / аккумуляторная батарея
14.6. Прибор управления для Motronic, реле топливного насоса, инжекторов, системы зажигания, датчика Холла
14.7. Прибор управления для Motronic, датчиков детонации, датчика числа оборотов двигателя, датчика температуры охлаждающей жидкости
14.8. Прибор управления для Motronic, блока управления дроссельной заслонкой
14.9. Прибор управления для Motronic, датчика кислорода, измерителя массы воздуха, регулятор распределительного вала, электромагнитного клапана продувки адсорбера, переключателя впускного трубопровод
14.10. Выключатель прикуривателя, разгрузочное реле для контакта Х
14.11. Переключатель света, подрулевой переключатель левый
14.12. Регулятор освещения выключателей и приборов управления, регулировки дальности света, стеклоочистителя и омывателя, регулировки дальности света (не относится к системе Motronic турбодвигателя 1.8 л 154 кВт S3)
14.13. Правый подрулевой переключатель, стеклоочиститель и омыватель, очиститель заднего стекла
14.14. Габаритные огни, стоп-сигналы, фонари заднего хода, туманные фонари
14.15. Звуковой сигнал, обогреваемое заднее стекло, прикуриватель, подсветка пепельницы
14.16. Коробка предохранителей, обогреваемое сопло омывателя, освещение вещевого ящика, фонарь освещения номерного знака
14.17. Коробка предохранителей, обогреваемое сопло, освещение вещевого ящика, фонарь освещения номерного знака
14.18. Коробка предохранителей
14.19. Коробка предохранителей, штекер диагностики, радиоподготовка
14.20. Сигналы поворота и аварийная сигнализация
14.21. Лампы освещения багажника, выключатель контактов двери
14.22. Блок панели приборов, комби-процессор в блоке панели приборов, контроль стояночного тормоза
14.23. Блок панели приборов, комби-процессор в блоке панели приборов, тахометр, спидометр, указатель резерва топлива, топливный насос, контроль охлаждающей жидкости, реле давления масла, стрелочные часы
14.24. Блок панели приборов, комби-процессор в блоке панели приборов, датчик резерва / уровня топлива, контрольные лампы
14.25. Блок панели приборов, комби-процессор в блоке панели приборов, считывающая катушка противоугонной защиты, датчик скорости движения, контрольные лампы, контроль ремня безопасности
14.26. Вентилятор охлаждающей жидкости, вентилятор свежего воздуха
14.27. Аккумуляторная батарея, стартер, генератор, главный блок предохранителей / аккумуляторная батарея
14.28. Прибор управления для Simos, реле топливного насоса, инжекторы, система зажигания, клапан переключения впускного трубопровода
14.29. Прибор управления для Simos, датчик детонации, датчик числа оборотов двигателя, датчик температуры охлаждающей жидкости, датчик Холла
14.30. Прибор управления для Simos, блок управления дроссельной заслонкой, выключатель гидроусилителя руля
14.31. Прибор управления для Simos, датчик кислорода, измеритель массы воздуха, электромагнитный клапан системы адсорбера
14.32. Блок панели приборов, комби-процессор в блоке панели приборов, топливный насос, датчик резерва топлива, датчик скорости
14.33. Прицеп
14.34. Электрические стеклоподъемники, 3-дверные модели (с защитой защемления), сторона водителя
14.35. Электрические стеклоподъемники, 3-дверные модели (с защитой защемления), сторона переднего пассажира
14.36. Система антиблокировки тормозов ABS и разъем блока управления
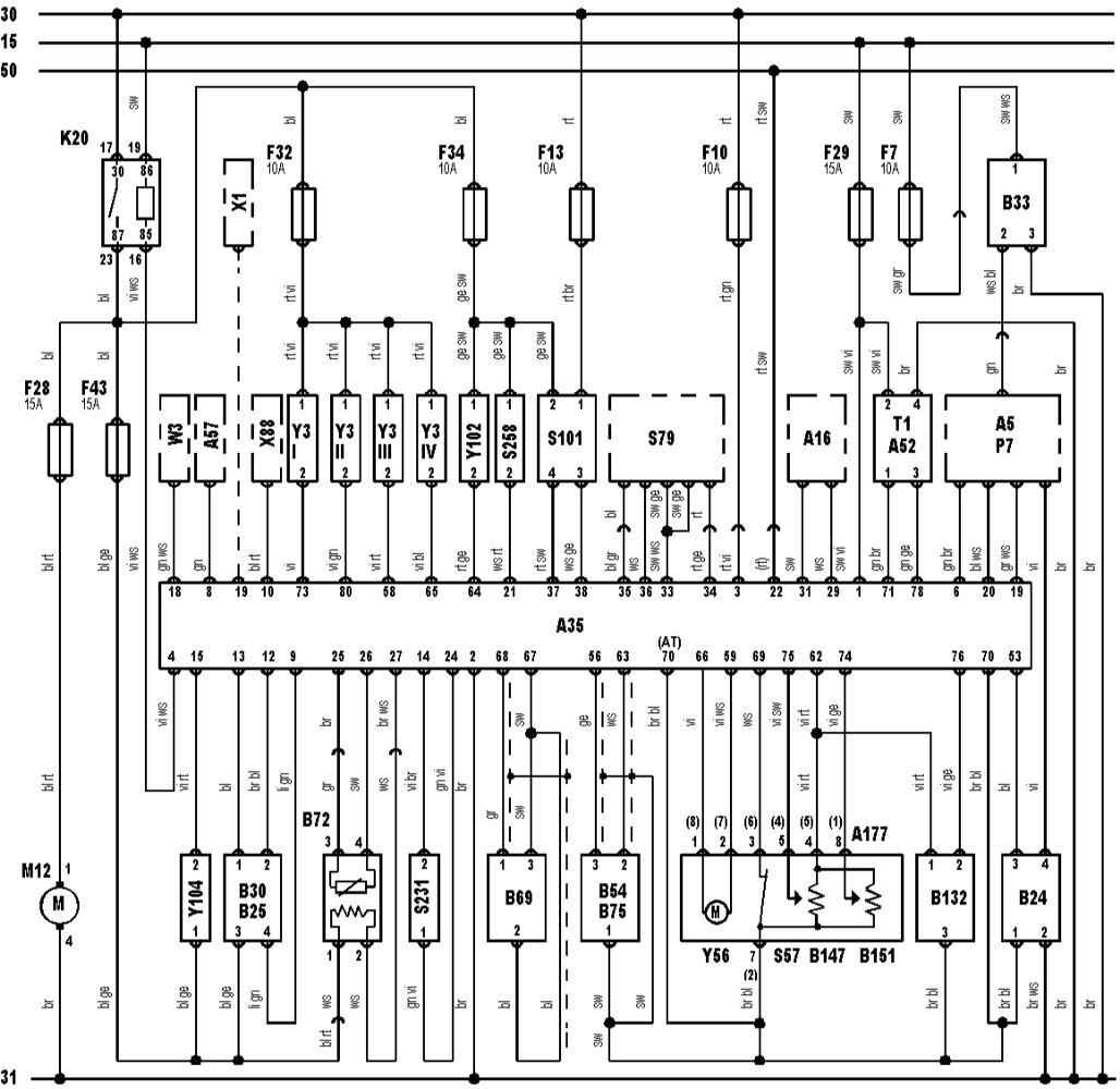
14.37. Система управления двигателем 1.6 л
14.38. Система управления двигателем 1.8 л без турбокомпрессора
14.39. Система управления двигателем 1.8 л с турбокомпрессором
 


14.37. Система управления двигателем 1.6 л


« предыдущая страница
14.36. Система антиблокировки тормозов ABS и разъем блока управления
^
к оглавлению
следующая страница »
14.38. Система управления двигателем 1.8 л без турбокомпрессора

Copyright © 2026 Все права защищены. Все торговые марки являются собственностью их владельцев.