поиск... в избранное карта сайта
  Audi РЕМОНТ ОБСЛУЖИВАНИЕ ЭКСПЛУАТАЦИЯ АВТОМОБИЛЕЙ
Ауди А3, С3. Audi A3 / S3 (с 1997 года выпуска)

полные технические характеристики. диагностика. электросхемы
 
Главная
 
Audi
A3 / S3
1. Инструкция по эксплуатации
2. Текущий уход и обслуживание
3. Двигатель
4. Системы охлаждения, отопления
4.1. Система охлаждения двигателя
4.2. Системы вентиляции, отопления и кондиционирования воздуха
4.2.1. Общая информация и меры безопасности
4.2.2. Снятие и установка воздушных дефлекторов
4.2.3. Снятие и установка сопла района ног
4.2.4. Снятие и установка привода отопителя / замена лампы
4.2.5. Снятие и установка тросов привода управления отопителя
4.2.6. Снятие и установка вентилятора свежего воздуха
4.2.7. Снятие и установка дополнительного резистора
4.2.8. Кондиционер
4.2.9. Снятие и установка компрессора
4.2.10. Диагностика кондиционера по кодам на дисплее блока его управления
5. Системы питания и выпуска отработавших газов
6. Электрооборудование двигателя
7. Ручная коробка переключения передач
8. Автоматическая трансмиссия и модели с полным приводом
9. Сцепление и приводные валы
10. Тормозная система
11. Подвеска и рулевое управление
12. Кузов
13. Бортовое электрооборудование
14. Электросхемы
 


4.2.8. Кондиционер

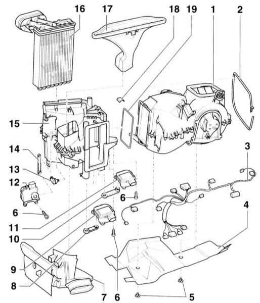
Вид кондиционера

1 – корпус испарителя
2 – стяжка
3 – жгут проводов кондиционера
4 – крышка
5 – винтовой зажим
6 – винт
7 – сопло района ног
8 – соединительная штанга
9 – электродвигатель привода центральной заслонки
10 – соединительная штанга
11 – электродвигатель привода температурной заслонки
С черным рычагом
12 – электродвигатель привода заслонки района ног/размораживания стекол
13 – датчик температуры на выходе в районе ног
14 – соединительная штанга
15 – коробка заслонок отопителя
16 – теплообменник охлаждающей жидкости
17 – воздушный канал размораживания стекол
18 – стопор
19 – уплотнение

Принцип действия кондиционера

Компрессор кондиционера через клиновой ремень приводится во вращение от коленчатого вала двигателя. Он создает давление до 30 бар в контуре охлаждения установки, вследствие чего хладагент, представляющий собой газ, нагревается. В конденсаторе хладагент охлаждается протекающим снаружи воздухом (охлаждающий воздух остается во внешней среде). Вследствие этого разогретый хладагент конденсируется, превращаясь в жидкость. Имея большое давление, он пропускается через дроссель, в результате чего его давление падает. После этого хладагент испаряется в контуре, одновременно сильно охлаждаясь. В испарителе хладагент отбирает тепло от продуваемого через него воздуха. Вследствие этого воздух охлаждается. Охлажденный воздух поступает в салон автомобиля. В результате нагревания в испарителе хладагент превращается в газ и под низким давлением поступает в компрессор.

« предыдущая страница
4.2.7. Снятие и установка дополнительного резистора
^
к оглавлению
следующая страница »
4.2.9. Снятие и установка компрессора

Copyright © 2026 Все права защищены. Все торговые марки являются собственностью их владельцев.