поиск в избранное карта сайта
  Mazda РЕМОНТ ОБСЛУЖИВАНИЕ ЭКСПЛУАТАЦИЯ АВТОМОБИЛЕЙ
Мазда 323. Mazda 323 (с 1985 года выпуска)

полные технические характеристики. диагностика. электросхемы
 
Главная
 
Mazda
323
1. Введение
2. Бензиновые двигатели
3. Система смазки двигателя
4. Система охлаждения двигателя
5. Система зажигания
6. Система питания, карбюратор, система впрыска топлива
7. Дизельный двигатель
8. Система выпуска отработавших газов
9. Сцепление
10. Ручная коробка передач
11. Автоматическая коробка передач
12. Подвеска и система рулевого управления
12.1. Передняя подвеска — общая информация
12.2. Снятие и установка амортизационной стойки
12.3. Разборка амортизационной стойки / снятие и установка амортизатора / винтовой пружины
12.4. Проверка амортизатора
12.5. Снятие и установка поперечного рычага / замена резиновой опоры
12.6. Проверка / замена опоры поперечного рычага / поворотного кулака
12.7. Снятие и установка приводного вала
12.8. Снятие и установка промежуточного вала
12.9. Проверка / разборка приводного вала / замена манжет
12.10. Подшипник передней ступицы
12.11. Задняя подвеска
12.12. Снятие и установка задней амортизационной стойки
12.13. Разборка задней амортизационной стойки / снятие и установка амортизатора / винтовой пружины
12.14. Поперечные рычаги / продольный рычаг / стабилизатор
12.15. Проверка подшипника ступицы
12.16. Снятие и установка подшипника ступицы
12.17. Регулировка люфта подшипника ступицы
12.18. Снятие и установка ступицы
12.19. Рулевое управление
12.20. Снятие и установка рулевого колеса
12.21. Снятие и установка наконечника рулевой тяги
12.22. Снятие и установка резиновой манжеты рулевого привода
12.23. Насос сервоуправления
12.24. Углы установки колес
12.25. Значения для проверки MAZDA 323
13. Тормозная система
14. Колеса и шины, кузов, окраска автомобиля, уход за автомобилем
15. Система электрооборудования
16. Отопитель, система освещения, приборы
17. Органы управления и приемы эксплуатации
18. Электрические схемы
 


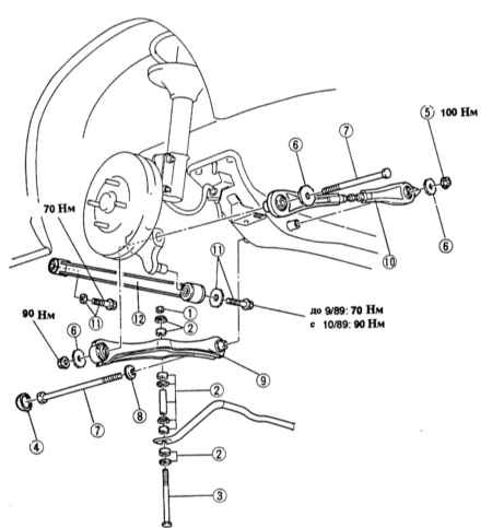
12.14. Поперечные рычаги / продольный рычаг / стабилизатор

Автомобили с передним приводом

После ослабления поперечных/продольного рычагов резиновые опоры могут затягиваться только в том случае, если автомобиль стоит на колесах. Затем следует измерить в мастерской углы установки колес.


1 — гайка стабилизатора
Навинтить так, чтобы резьба выступала примерно на 18 мм.
2 — гильза, втулка, дистанционный элемент
3 — болт
4 — колпачок
5 — гайка
6 — шайба
7 — болт

8 — стопорная шайба
9 — передний поперечный рычаг
10 — задний поперечный рычаг
Длина изменяется для регулировки схождения, с помощью эксцентрической втулки (до 9/89 г. вып.) или резьбовой штанги (начиная с 10/89 г. вып.).
11 — болт, шайба
12 — продольный рычаг


« предыдущая страница
12.13. Разборка задней амортизационной стойки / снятие и установка амортизатора / винтовой пружины
^
к оглавлению
следующая страница »
12.15. Проверка подшипника ступицы

Copyright © 2026 Все права защищены. Все торговые марки являются собственностью их владельцев.