поиск в избранное карта сайта
  Saab РЕМОНТ ОБСЛУЖИВАНИЕ ЭКСПЛУАТАЦИЯ АВТОМОБИЛЕЙ
Сааб 9-5. Saab 9-5 (с 1997 года выпуска)

полные технические характеристики. диагностика. электросхемы
 
Главная
 
Saab
9-5
1. Введение
2. Органы управления и приемы эксплуатации
3. Настройки и текущее обслуживание автомобиля
4. Двигатель
5. Системы охлаждения двигателя, отопления, вентиляции и кондиционирования воздуха
6. Системы питания и выпуска отработавших газов
7. Системы электрооборудования двигателя
8. Ручная коробка переключения передач
9. Автоматическая трансмиссия
10. Сцепление и приводные валы
11. Тормозная система
12. Подвеска и рулевое управление
13. Кузов
14. Бортовое электрооборудование
14.1. Общая информация
14.2. Диагностика неисправностей бортового электрооборудования - общая информация
14.3. Предохранители - общая информация
14.4. Реле - общая информация и проверка исправности функционирования
14.5. Стеклоподъёмники
14.6. Подрулевые переключатели
14.7. Комбинация приборов
14.8. Снятие и установка осветительных приборов и замена их ламп
14.9. Регулировка наклона фар
14.10. Снятие и установка датчиков регулировки наклона фар
14.11. Снятие и установка клаксона
14.12. Стеклоочистители и стеклоомыватели
14.13. Датчики системы помощи при парковке
14.14. Снятие и установка аудиосистемы и динамиков
14.15. Снятие и установка компонентов системы SRS
14.16. Снятие и установка блоков управления DICE и TWICE
14.17. Схемы электрооборудования
14.17.1. Система управления 4-цилиндровыми бензиновыми двигателями
14.17.2. Система управления бензиновым двигателем V6
14.17.3. Система управления дизельным двигателем V6, версия 1
14.17.4. Обогрев топливного фильтра дизельного двигателя
14.17.5. Вентиляторы радиатора
14.17.6. Дополнительный отопитель дизельных моделей
14.17.7. Насос SAI
14.17.8. Система заряда батареи
14.17.9. Система запуска с иммобилизатором двигателя
14.17.10. Галогенные фары
14.17.11. Ксеноновые фары
14.17.12. Стояночные огни (Седан)
14.17.13. Стояночные огни (Универсал)
14.17.14. Противотуманные фары
14.17.15. Стоп-сигналы
14.17.16. Фонари заднего хода
14.17.17. Задние туманные фонари
14.17.18. Указатели поворотов и аварийная сигнализация
14.17.19. Внутреннее освещение, лампы для чтения
14.17.20. Освещение в дверях
14.17.21. Освещение багажного отделения
14.17.22. Освещение вещевого ящика
14.17.23. Подсветка приборов
14.17.24. Ручная регулировка наклона галогенных фар
14.17.25. Автоматическая регулировка наклона ксеноновых фар
14.17.26. Клаксон
14.17.27. Омыватели стёкол и линз фар
14.17.28. Очистители ветрового стекла (с датчиком дождя)
14.17.29. Очистители линз фар
14.17.30. Очистители стекла двери задка (Универсал), версия 1
14.17.31. Блок DICE
14.17.32. Блок TWICE
14.17.33. Диагностический разъём
14.17.34. Шина данных P
14.17.35. Шина данных I
14.17.36. Аудиоблок (Седан)
14.17.37. Аудиосистема «Prestige» (Седан)
14.17.38. Цепь +30
14.17.39. Цепь +15
14.17.40. Цепь +54
14.17.41. Цепь X
14.17.42. Цепь Y
14.17.43. Разъём для прицепа (Седан)
14.17.44. Разъём для системы навигации
14.17.45. Прикуриватель
14.17.46. Комбинация приборов
14.17.47. Многофункциональный дисплей
14.17.48. Противоугонная сигнализация (Универсал)
14.17.49. Система помощи при парковке (Седан)
14.17.50. Блок TCM
14.17.51. Система ABS 5.4
14.17.52. Система ABS/TC 5.3
14.17.53. Система ABS с ESP
14.17.54. Электропривод верхнего люка
14.17.55. Единый замок
14.17.56. Электропривод замка крышки багажника (Седан)
14.17.57. Электропривод замка двери задка (Универсал)
14.17.58. Электропривод крышки заливной горловины топливного бака
14.17.59. Обогрев заднего стекла и наружных зеркал
14.17.60. Зеркало с автоматическим затемнением
14.17.61. Стеклоподъёмники
14.17.62. Электропривод наружных зеркал с памятью положения
14.17.63. Электропривод сиденья водителя с памятью положения
14.17.64. Электропривод сиденья переднего пассажира
14.17.65. Подогрев передних сидений
14.17.66. Подогрев заднего сиденья
14.17.67. Вентиляция сидений
14.17.68. Система SRS
14.17.69. Предупреждение о не пристёгнутых ремнях безопасности
14.17.70. Система К/В бензиновых моделей
14.17.71. Система К/В дизельных моделей
14.17.72. Система ACC
 


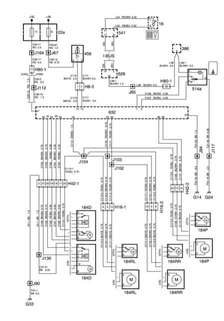
14.17.55. Единый замок


« предыдущая страница
14.17.54. Электропривод верхнего люка
^
к оглавлению
следующая страница »
14.17.56. Электропривод замка крышки багажника (Седан)

Copyright © 2026 Все права защищены. Все торговые марки являются собственностью их владельцев.