поиск в избранное карта сайта
  Mercedes-Benz РЕМОНТ ОБСЛУЖИВАНИЕ ЭКСПЛУАТАЦИЯ АВТОМОБИЛЕЙ
Мерседес-Бенц 463. Mercedes-Benz G-класс (W463, с 1999 года выпуска)

полные технические характеристики. диагностика. электросхемы
 
Главная
 
Mercedes-Benz
G-класс (W463)
1. Введение
2. Органы управления и приемы эксплуатации
3. Текущий уход и обслуживание
4. Двигатель
5. Системы охлаждения, отопления, вентиляции и кондиционирования воздуха
6. Системы питания и выпуска отработавших газов
7. Системы электрооборудования двигателя
8. Автоматическая трансмиссия
9. Трансмиссионная линия
10. Тормозная и вспомогательные системы
11. Подвеска и рулевое управление
12. Кузов
13. Бортовое электрооборудование
14. Схемы электрических соединений
14.1. Система управления ME-SFI бензиновых двигателей 112.945 и 113.962
14.2. Система управления CDI дизельного двигателя 628.962
14.3. Модуль управления трансмиссией (ETC) (все модели)
14.4. Модуль электронного рычага селектора АТ (все модели)
14.5. Раздаточная коробка (все модели)
14.6. Блокировка переднего дифференциала (все модели выпуска с 01.09.01)
14.7. Система запуска (все модели выпуска 01.09.01)
14.8. Система охлаждения двигателя (все бензиновые модели выпуска 01.06.99)
14.9. Система антиблокировки тормозов (ABS) (все модели)
14.10. Рулевая колонка (все модели)
14.11. Монтажный блок предохранителей F1 (все модели выпуска с 01.09.01 г.)
14.12. Монтажный блок предохранителей F2 (все модели выпуска с 01.09.01 г.)
14.13. Монтажный блок предварительных предохранителей F32 (все модели выпуска с 01.09.01 г.)
14.14. Салонный монтажный блок предохранителей F34 (все модели)
14.15. Монтажный блок реле К40 (бензиновые модели)
14.16. Электронный выключатель зажигания (EIS) (все модели выпуска с 25.11.02)
14.17. Диагностический разъем DLC (все модели выпуска с 01.09.01)
14.18. Комбинация приборов без системы ASSYST (все модели выпуска с 01.09.01)
14.19. Комбинация приборов с системой ASSYST (бензиновые модели)
14.20. Сигнальная система (бензиновые модели)
14.21. Модуль управления водительской двери (все модели)
14.22. Модуль управления правой передней двери (все модели)
14.23. Модуль управления левой задней двери, - для правой аналогично (все модели)
14.24. Единый замок (бензиновые модели)
14.25. 13-контактный разъем электропроводки сцепного устройства (бензиновые модели, код Е43)
14.26. Очистители ветрового стекла (бензиновые модели)
14.27. Фароочистители (бензиновые модели)
14.28. Система кондиционирования воздуха (AAC) (бензиновые модели выпуска с 01.09.01)
14.29. Системы дополнительной безопасности (бензиновые модели)
14.30. Контактный кабельный барабан рулевой колонки (все модели)
14.31. Прикуриватель (все модели)
14.32. Розетки электропитания (все модели)
14.33. Потолочная консоль (все модели выпуска с 01.09.01)
14.34. Задние лампы для чтения (G 500)
14.35. Электропривод регулировки передних сидений (ESV) (все модели выпуска с 01.09.01)
14.36. Противоугонная система (ATA) (бензиновые модели, код FZ5))
 


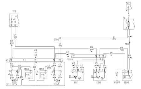
14.34. Задние лампы для чтения (G 500)


« предыдущая страница
14.33. Потолочная консоль (все модели выпуска с 01.09.01)
^
к оглавлению
следующая страница »
14.35. Электропривод регулировки передних сидений (ESV) (все модели выпуска с 01.09.01)

Copyright © 2026 Все права защищены. Все торговые марки являются собственностью их владельцев.