|
поиск
в избранное
карта сайта
|
| |
 |
РЕМОНТ ОБСЛУЖИВАНИЕ ЭКСПЛУАТАЦИЯ АВТОМОБИЛЕЙ Мерседес-Бенц 463. Mercedes-Benz G-класс (W463, с 1999 года выпуска)
полные технические характеристики. диагностика. электросхемы
|
|
|
|
|
|
 |
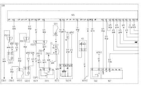
14.36. Противоугонная система (ATA) (бензиновые модели, код FZ5))
|
|
|
Copyright © 2026 Все права защищены. Все торговые марки являются собственностью их владельцев. |