поиск в избранное карта сайта
  Nissan РЕМОНТ ОБСЛУЖИВАНИЕ ЭКСПЛУАТАЦИЯ АВТОМОБИЛЕЙ
Ниссан Микра. Nissan Micra (с 2002 года выпуска)

полные технические характеристики. диагностика. электросхемы
 
Главная
 
Nissan
Micra
1. Введение
2. Органы управления и приемы эксплуатации
3. Настройки и текущее обслуживание автомобиля
4. Двигатель
5. Системы охлаждения двигателя, отопления, вентиляции и кондиционирования воздуха
6. Системы питания и выпуска отработавших газов
7. Системы электрооборудования двигателя
8. Ручная коробка переключения передач и сцепление
9. Автоматическая трансмиссия
10. Приводные валы, поворотные кулаки и ступичные сборки
11. Тормозная система
12. Подвеска и рулевое управление
12.1. Общая информация, рекомендации и меры безопасности
12.2. Передняя подвеска
12.3. Задняя подвеска
12.4. Рулевое управление
13. Кузов
14. Бортовое электрооборудование
15. Схемы электрооборудования
 


12.1. Общая информация, рекомендации и меры безопасности

Передняя подвеска

1 — Верхняя тарелка пружины
2 — Подшипник
3 — Винтовая пружина
4 — Пыльник
5 — Стойка подвески
6 — Поворотный кулак
7 — Хомут
8 — Втулка

9 — Стойка стабилизатора
10 — Поперечный рычаг
11 — Стабилизатор
12 — Верхняя тяга (только модели с АТ)
13 — Верхняя тяга
14 — Подрамник
15 — Стойка подрамника

Передняя подвеска автомобилей Nissan Micra K12 независимая, со стойками Мак-Ферсона, поперечными рычагами и стабилизатором поперечной устойчивости. Несущим элементов передней подвески является балка, соединенная с кузовом болтами. На балке закреплены оба поперечных рычага, которые в свою очередь соединены ботами с поворотными кулаками. Стойки подвески также крепятся на поворотных кулаках. Ступица и колесный подшипник не подлежат регулировке и ремонту.

Задняя подвеска

1 — Упор
2 — Втулка
3 — Проставка
4 — Крышка пыльника
5 — Пыльник

6 — Амортизатор
7/9 — Верхнее/нижнее седло пружины
8 — Винтовая пружина
10 — Поперечная балка
11 — Кронштейн рычага подвески

Задняя подвеска зависимая, с раздельно установленными на балку амортизаторами и винтовыми пружинами.

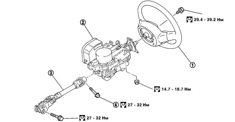
Рулевая колонка

1 — Рулевое колесо
2 — Сборка рулевой колонки с блоком управления EPAS, э/мотором, редукционной передачей и датчиком

3 — Промежуточный вал
4 — Болт крепления промежуточного вала к рулевой колонке

Рулевой механизм с тягами

1 — Наконечник рулевой тяги
2 — Уплотнение переборки
3 — Уплотнительное кольцо
4 — Хомут

5 — Пыльник
6 — Пружинное кольцо
7 — Контргайка
8 — Сборка рулевого механизма

Рулевое управление реечное, с электроусилителем (EPAS). В рулевом колесе установлена передняя подушка безопасности водителя. Рулевой механизм не имеет люфтов и не требует обслуживания, кроме проверки состояния его пыльников, а также пыльников наконечников рулевых тяг.

При выполнении ремонта или обслуживания компонентов подвески и рулевого управления часто возникают проблемы с отворачиванием «прикипевших» болтов и гаек. Расположенные под днищем автомобиля элементы крепежа постоянно подвергаются внешним воздействиям и со временем подвергаются коррозии и частично разрушаются. Применение грубой силы при отпускании такого «прикипевшего» крепежа сопряжено с риском его повреждения. Для начала смочите не поддающийся отворачиванию элемент небольшим количеством специальной проникающей жидкости, позволив ей хорошо пропитать слой ржавчины. Проволочной щеткой удалите внешние отложения с доступных участков резьбовых поверхностей. Иногда резкий удар молотком по гайке через выколотку помогает разрушить ржавчину, заполняющую зазоры между витками резьбового сочленения, - постарайтесь не допустить повреждения резьбы в результате соскакивания выколотки. Использование при отдавании «прикипевшего» крепежа длинного воротка позволяет заметно увеличить прикладываемый крутящий момент, однако следует помнить, что применение удлинителей в комплекте с приводами храпового типа сопряжено с риском выхода из строя возвратного механизма, а также с возможностью получения травмы. Поврежденный в процессе отпускания крепеж подлежит замене в обязательном порядке.

Поскольку большинство из описываемых в настоящей Главе процедур производится на поднятом над землей автомобиле, следует заблаговременно позаботиться о вариантах его надежной фиксации в поднятом положении, – приготовьте прочные подпорки. Для поддомкрачивания автомобиля используйте гидравлические домкраты подкатного типа, – помните, что входящий в стандартную комплектацию бортовой домкрат предназначен лишь для временного поддомкрачивания автомобиля при замене вышедшего из строя колеса. Гидравлический домкрат может быть использован также для вывешивания некоторых компонентов подвески при выполнении той или иной процедуры.

Не допускается проведение работ под автомобилем, удерживаемым в поднятом положении лишь посредством домкратов!

Проведение сварки и рихтовки несущих элементов подвески, а также элементов рулевого управления не допускается. Самоконтрящиеся гайки и поврежденный коррозией крепеж в процессе ремонта следует заменять.


« предыдущая страница
12. Подвеска и рулевое управление
^
к оглавлению
следующая страница »
12.2. Передняя подвеска

Copyright © 2026 Все права защищены. Все торговые марки являются собственностью их владельцев.