поиск в избранное карта сайта
  Nissan РЕМОНТ ОБСЛУЖИВАНИЕ ЭКСПЛУАТАЦИЯ АВТОМОБИЛЕЙ
Ниссан Микра. Nissan Micra (с 2002 года выпуска)

полные технические характеристики. диагностика. электросхемы
 
Главная
 
Nissan
Micra
1. Введение
2. Органы управления и приемы эксплуатации
3. Настройки и текущее обслуживание автомобиля
4. Двигатель
5. Системы охлаждения двигателя, отопления, вентиляции и кондиционирования воздуха
6. Системы питания и выпуска отработавших газов
7. Системы электрооборудования двигателя
8. Ручная коробка переключения передач и сцепление
9. Автоматическая трансмиссия
10. Приводные валы, поворотные кулаки и ступичные сборки
11. Тормозная система
12. Подвеска и рулевое управление
13. Кузов
14. Бортовое электрооборудование
15. Схемы электрооборудования
15.1. Схема распределения питания
15.2. Схема системы управления двигателем
15.3. Отдельные цепи системы управления двигателем
15.4. Шина передачи данных
15.5. Система запуска двигателя
15.6. Схема соединения монтажного блока
15.7. Прикуриватель
15.8. Клаксон
15.9. Система заряда
15.10. Схема АТ и ее отдельные цепи
15.11. Схема бортового блока управления
15.12. Схема единого замка
15.13. Цепь подключения противоугонной сигнализации
15.14. Цепи системы NATS
15.15. Схема ABS
15.16. Схема SRS
15.17. Цепи системы ABS
15.18. Цепи системы SRS
15.19. Схема обогрева заднего стекла и наружных зеркал заднего вида
15.20. Схема системы К/В с автоматическим управлением
15.21. Система К/В с ручным управлением
15.22. Цепь отопителя моделей с К/В с ручным управлением
15.23. Подогрев сидений
15.24. Цепи обогрева заднего стекла и наружных зеркал заднего вида
15.25. Очистители и омыватели ветрового стекла (с датчиком дождя)
15.26. Очистители и омыватели заднего стекла
15.27. Очистители и омыватели линз фар
15.28. Фары (на примере моделей с DRL)
15.29. Указатели поворотов
15.30. Противотуманные фары и задний туманный фонарь
15.31. Схема и отдельные цепи габаритных огней и подсветки номерного знака
15.32. Стоп-сигналы
15.33. Фонари заднего хода
15.34. Схема и отдельные цепи внутреннего освещения
15.35. Электропривод стеклоподъемников
15.36. Электропривод крышки верхнего люка
15.37. Электропривод наружных зеркал
15.38. Комбинация приборов
15.39. Предупредительные сигналы
15.40. Аудиосистема
15.41. Путевой компьютер
 


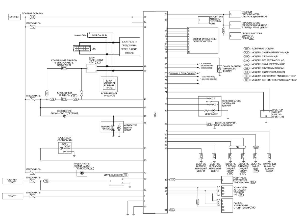
15.11. Схема бортового блока управления


« предыдущая страница
15.10. Схема АТ и ее отдельные цепи
^
к оглавлению
следующая страница »
15.12. Схема единого замка

Copyright © 2026 Все права защищены. Все торговые марки являются собственностью их владельцев.