|
поиск
в избранное
карта сайта
|
| |
 |
РЕМОНТ ОБСЛУЖИВАНИЕ ЭКСПЛУАТАЦИЯ АВТОМОБИЛЕЙ Субару Легаси, Аутбэк. Subaru Legacy / Outback (с 1999 по 2003 год выпуска)
полные технические характеристики. диагностика. электросхемы
|
|
|
|
|
|
 |
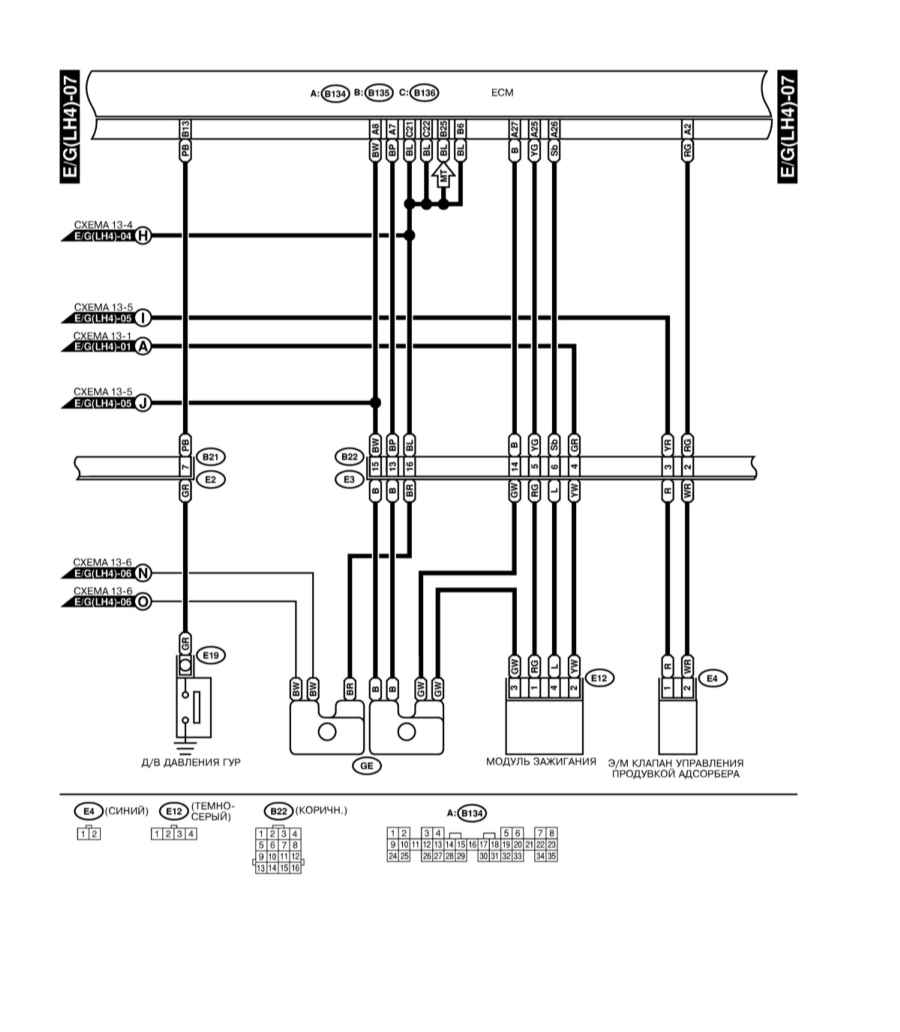
14.37.13. Электрооборудование двигателя4-цилиндровые модели с OBD Subaru
4-цилиндровые модели с OBD II
6-цилиндровые модели
|
|
|
Copyright © 2026 Все права защищены. Все торговые марки являются собственностью их владельцев. |