поиск в избранное карта сайта
  Subaru РЕМОНТ ОБСЛУЖИВАНИЕ ЭКСПЛУАТАЦИЯ АВТОМОБИЛЕЙ
Субару Легаси, Аутбэк. Subaru Legacy / Outback (с 1999 по 2003 год выпуска)

полные технические характеристики. диагностика. электросхемы
 
Главная
 
Subaru
Legacy / Outback (1999)
1. Введение
2. Руководство по эксплуатации
3. Текущее обслуживание
4. Двигатель
5. Системы охлаждения, отопления
6. Системы питания и выпуска
7. Электрооборудование двигателя
8. Ручная коробка и дифференциал
9. Автоматическая трансмиссия
10. Сцепление
11. Тормозная система
12. Подвеска и рулевое управление
13. Кузов
14. Бортовое электрооборудование
14.1. Спецификации
14.2. Поиск причин отказов электрооборудования
14.3. Предохранители - общая информация
14.4. Прерыватели цепи - общая информация
14.5. Реле - общая информация и проверка исправности функционирования
14.6. Детали прокладки бортовой электропроводки
14.7. Система дополнительной безопасности (SRS) - устройство и принцип функционирования
14.8. Диагностика неисправностей SRS
14.9. Снятие и установка компонентов SRS
14.10. Система управления скоростью (темпостат) - устройство и принцип функционирования
14.11. Проверка исправности функционирования компонентов и диагностика отказов темпостата
14.12. Снятие, проверка состояния и установка компонентов системы управления скоростью
14.13. Комбинация приборов - общая информация и принцип функционирования компонентов
14.14. Диагностика отказов компонентов комбинации приборов
14.15. Снятие, обслуживание и установка комбинации приборов, проверка состояния компонентов
14.16. Обогрев заднего стекла и зеркал заднего вида - общая информация, проверка исправности функционирования компонентов, восстановительный ремонт термоэлектрического нагревательного элемента
14.17. Обогрев щеток стеклоочистителей - общая информация, проверка исправности функционирования компонентов, восстановительный ремонт термоэлектрического нагревательного элемента
14.18. Снятие, проверка состояния и установка выключателей управления функционированием электропривода регуляторов стеклоподъемников
14.19. Электропривод зеркал заднего вида - проверка исправности функционирования
14.20. Снятие проверка и установка переключателя управления функционированием электропривода наружных зеркал заднего вида
14.21. Снятие, проверка состояния и установка переключателя управления функционированием электропривода верхнего люка
14.22. Снятие, проверка состояния и установка комбинированных подрулевых переключателей
14.23. Проверка исправности функционирования электромоторов привода стеклоочистителей, снятие, проверка и установка управляющего реле заднего стеклоочистителя на моделях Legacy Универсал / Outback
14.24. Проверка реле и выключателей осветительных и сигнальных приборов
14.25. Снятие и установка осветительных приборов, замена ламп
14.26. Снятие, проверка состояния и установка рожков и выключателя клаксона
14.27. Проверка состояния и замена контактной группы выключателя зажигания
14.28. Единый замок - устройство, принцип функционирования, диагностика неисправностей
14.29. Снятие, проверка состояния и установка компонентов единого замка
14.30. Система иммобилизации двигателя - устройство, принцип функционирования, диагностика неисправностей
14.31. Снятие и установка компонентов системы иммобилизации двигателя
14.32. Снятие и установка сборки радиоприемника
14.33. Снятие и установка громкоговорителей
14.34. Проверка состояния и восстановительный ремонт оконной антенны радиоприемника
14.35. Снятие, установка и проверка состояния антенного усилителя радиоприемника
14.36. Снятие и установка прикуривателя
14.37. Схемы электрических соединений
14.37.1. Распределение питания
14.37.2. Распределение заземления
14.37.3. Подушки безопасности
14.37.4. Система кондиционирования воздуха
14.37.5. Система антиблокировки тормозов (ABS)
14.37.6. Система управления автоматической трансмиссии
14.37.7. Аудиосистема
14.37.8. Система заряда
14.37.9. Комбинация приборов
14.37.10. Система управления скоростью (темпостат)
14.37.11. Дверные замки
14.37.12. Измеритель температуры охлаждающей жидкости двигателя
14.37.13. Электрооборудование двигателя
14.37.14. Измеритель запаса топлива
14.37.15. Неотключаемый двухступенчатый редуктор
14.37.16. Передняя розетка электропитания
14.37.17. Привод регулировки фар
14.37.18. Клаксон
14.37.19. Система иммобилизации двигателя
14.37.20. Единый замок
14.37.21. Огни заднего хода
14.37.22. Габаритные огни и подсветка приборов
14.37.23. Противотуманные фары
14.37.24. Фары
14.37.25. Внутреннее освещение
14.37.26. Стоп-сигналы
14.37.27. Указатели поворотов и аварийная сигнализация
14.37.28. Контрольная лампа давления масла
14.37.29. Дисплей вывода показаний датчика температуры наружного воздуха
14.37.30. Контрольная лампа взведения стояночного тормоза / уровня тормозной жидкости
14.37.31. Электропривод сидений
14.37.32. Электропривод стеклоподъемников
14.37.33. Вентилятор системы охлаждения
14.37.34. Задняя розетка электропитания
14.37.35. Задние туманные фонари
14.37.36. Электроообогрев заднего стекла
14.37.37. Электропривод дверных зеркал заднего вида
14.37.38. Контрольная лампа "Пристегните ремни"
14.37.39. Обогрев сидений
14.37.40. Система запуска
14.37.41. Электропривод верхнего люка
14.37.42. Система динамической стабилизации (VDC)
14.37.43. Очистители / омыватели ветрового стекла
14.37.44. Очиститель / омыватель заднего стекла, модели Универсал
14.37.45. Электрообогрев стеклоочистителей
 


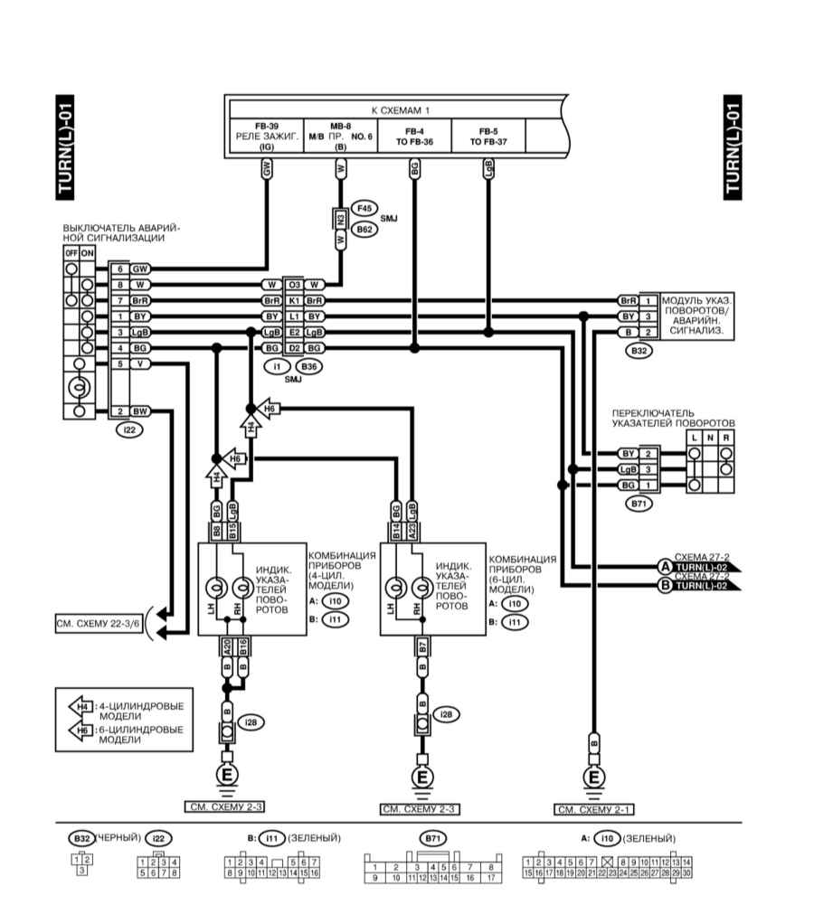
14.37.27. Указатели поворотов и аварийная сигнализация


« предыдущая страница
14.37.26. Стоп-сигналы
^
к оглавлению
следующая страница »
14.37.28. Контрольная лампа давления масла

Copyright © 2026 Все права защищены. Все торговые марки являются собственностью их владельцев.