поиск в избранное карта сайта
  Mercedes-Benz РЕМОНТ ОБСЛУЖИВАНИЕ ЭКСПЛУАТАЦИЯ АВТОМОБИЛЕЙ
Мерседес-Бенц 123. Mercedes-Benz E-класс W123 (с 1976 по 1985 год выпуска)

полные технические характеристики. диагностика. электросхемы
 
Главная
 
Mercedes-Benz
E-класс (W123)
1. Введение
2. Бензиновые двигатели
2.1. Конструкция и технические характеристики
2.2. Регулировка двигателя
2.3. Система зажигания
2.4. Система питания
2.4.1. Система питания с карбюратором Stromberg
2.4.2. Система питания с карбюратором Solex 4A1
2.5. Система впрыска топлива K-Jetronic
2.6. Система впрыска топлива L-Jetronic
2.7. Работы на автомобиле
2.8. Работы на двигателе М 102
2.9. Работы на двигателях М 110 и М 123
3. Сцепление
4. Механическая коробка передач
5. Автоматическая трансмиссия
6. Карданная передача и задний мост
7. Передняя подвеска
8. Задняя подвеска
9. Рулевое управление
10. Тормозная система
11. Электрооборудование
12. Кузов и его оборудование
 


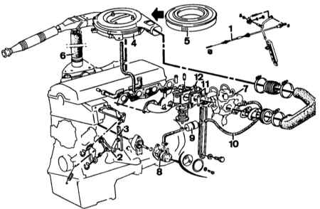
2.4. Система питания


Система питания карбюраторных двигателей

1 — тяга управления дроссельной заслонкой
2 — промежуточный рычаг
3 — серьга
4 — корпус воздушного фильтра
5 — воздушный фильтр
6 — резиновый шланг

7 — карбюратор
8 — топливный насос
9 — фильтр тонкой очистки топлива
10 — шланг подвода топлива к карбюратору
11 — теплоизолирующий экран
12 —- впускной трубопровод


Система питания с карбюратором Stromberg


Особенности устройства

Карбюратор Zenith Stromberg 175CDT. Однокамерный горизонтальный карбюратор с регулируемым диффузором. Регулирование состава топливно-воздушной смеси на холостом ходу, на рабочих режимах и при разгоне осуществляется единственным жиклером, а обогащение горючей смеси при пуске — отдельным термоэлектрическим пусковым устройством.


Детали карбюратора Stromberg 175 CDT (I)

1 — корпус
6, 6а — регулировочные винты холостого хода и ускоренного холостого хода
13 — автоматическое пусковое устройство
15а — вакуумный регулятор пускового устройства
20 — блок электроподогрева пускового устройства
22 — блок водяного подогрева пускового устройства
44 — игольчатый клапан
47 — поплавок

50 — поршень в сборе
52 — мембрана поршня
54 — поплавковая камера
54а — электромагнитный запорный клапан
55 — игла
62 — тормоз поршня
72 — пневмопривод возврата на холостой ход
80 — термоэлектрический клапан


Детали карбюратора Stromberg 175 CDT (II)

1 — корпус карбюратора
2 — поплавковая камера
3 — поплавок
4 — игольчатый клапан
5 — сальник
6 — колпак
7 — поршень
8 — диафрагма

9 — игла
10 — электромагнитный запорный клапан
11 — пружина
12 — крышка колпака
13 — термостат пускового устройства
14 — пусковое устройство
15 — пневмопривод возврата на холостой ход


« предыдущая страница
2.3.2.7. Установка момента зажигания
^
к оглавлению
следующая страница »
2.4.1. Система питания с карбюратором Stromberg

Copyright © 2026 Все права защищены. Все торговые марки являются собственностью их владельцев.