|
поиск
в избранное
карта сайта
|
| |
 |
РЕМОНТ ОБСЛУЖИВАНИЕ ЭКСПЛУАТАЦИЯ АВТОМОБИЛЕЙ Ниссан Террано 2. Nissan Terrano II (с 1985 по 1999 года выпуска)
полные технические характеристики. диагностика. электросхемы
|
|
|
|
|
|
 |
17.27. Схемы монтажные и электрические принципиальные
|
|
Обозначения разъемов внутри моторного отсека 1М - к магнитному клапану корректора холостого хода 2М- к конденсатору ЗМ- к катушке зажигания 7М- диагностический разъем 8М- к левой фаре (тип 1) 9М- к левой фаре (тип 2) 10М- к лампе указателя левого по
|
|
|
Обозначения основных разъемов внутри салона 51М - к диоду (на автомобилях с автоматической трансмиссией) 52М- к плафону освещения 53М- к правому динамику 54М- свободный разъем (отопителя) 55М- к вентилятору 56М- к резистору 57М- к реле кондиционера 5
|
|
|
Схема электрическая принципиальная, лист 1
|
|
|
Схема электрическая принципиальная, лист 2
|
|
|
Схема электрическая принципиальная, лист 3
|
|
|
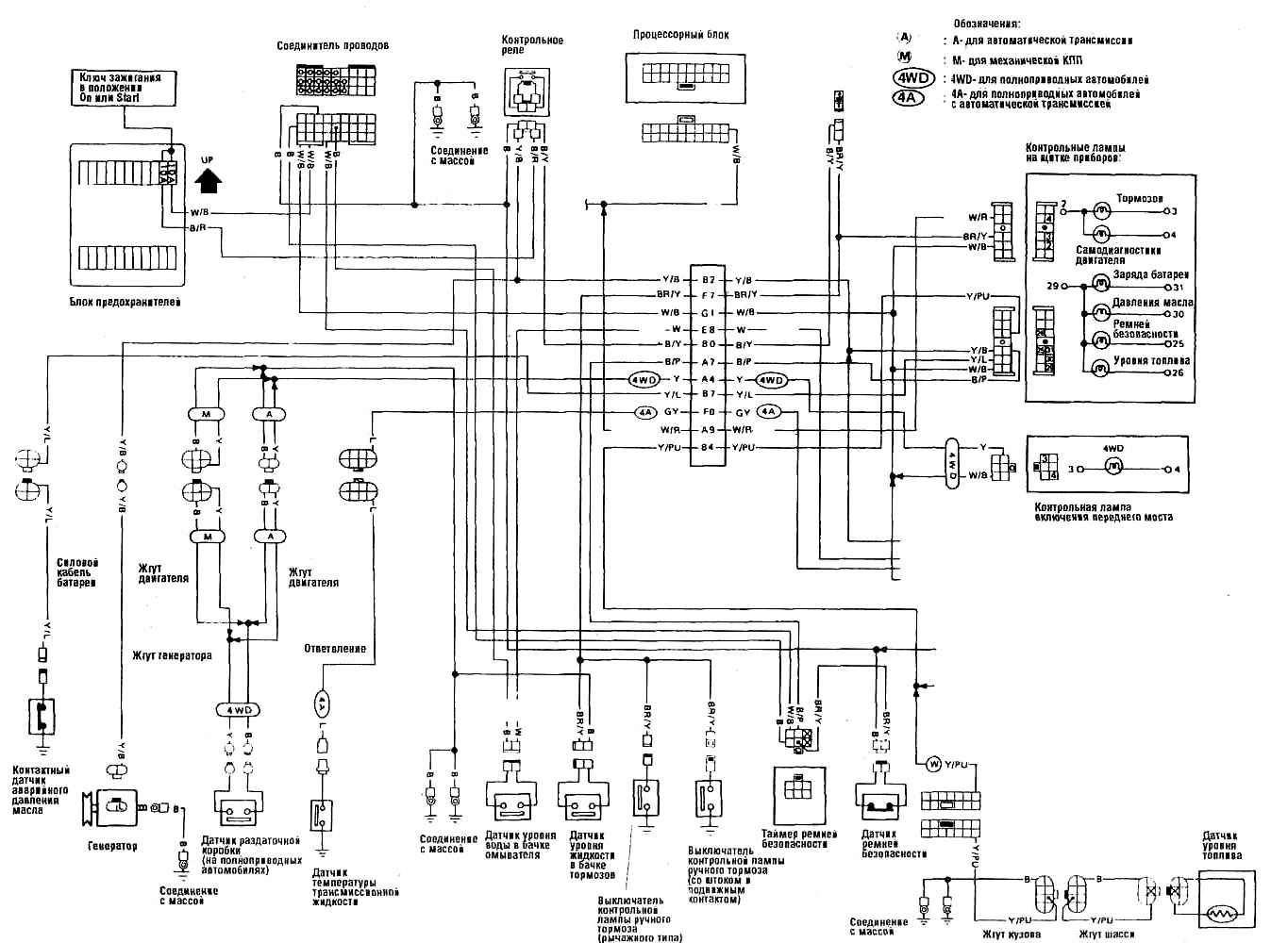
Система заряда батареи (для а/т позднего выпуска)
|
|
|
Система заряда батареи (для а/м позднего выпуска)
|
|
|
|
Copyright © 2026 Все права защищены. Все торговые марки являются собственностью их владельцев. |