поиск в избранное карта сайта
  Opel РЕМОНТ ОБСЛУЖИВАНИЕ ЭКСПЛУАТАЦИЯ АВТОМОБИЛЕЙ
Опель Астра. Opel Astra H (с 2004 по 2006 год выпуска)

полные технические характеристики. диагностика. электросхемы
 
Главная
 
Opel
Astra H
1. Эксплуатация и техническое обслуживание автомобиля
2. Двигатель
2.1. Новый бензиновый двигатель Z 18 XER DOHC-I
2.2. Бензиновые двигатели – общие процедуры проверки
2.3. Снятие и установка силового агрегата
2.4. Механическая часть двигателя
2.5. Проверочные и ремонтные операции компонентов механической части двигателя
2.6. Система охлаждения
2.7. Система впрыска топлива бензиновых двигателей
2.7.1. Снятие и установка топливных форсунок
2.7.2. Замена топливопровода высокого давления (Насос высокого давления – напорная камера)
2.7.3. Модуль топливного насоса
2.7.4. Замена модуля дозировки
2.7.5. Замена регулятора давления топлива
2.7.6. Замена демпфирующего корпуса возврата топлива
2.7.7. Замена датчика уровня топлива
2.7.8. Топливный бак
2.7.9. Замена трубки заливной горловины топливного бака (бензиновые двигатели)
2.7.10. Система улавливания паров топлива
2.7.11. Замена передней вентиляционной трубки
2.7.12. Снятие и установка емкости с активированным углем
2.7.13. Снятие и установка датчика массового расхода воздуха
2.7.14. Замена датчика давления наддува (Z 20 LEH)
2.7.15. Снятие и установка корпуса термостата (двигатель 2,0 л)
2.7.16. Система выпуска (Z 14 XEP, Z 14 XEL, Z 16 XEP)
2.7.17. Система выпуска (Z18 XE)
2.7.18. Система выпуска (Z 20 LEL)
2.7.19. Замена холодильника рециркуляции отработавших газов (двигатель 2,0 л)
2.8. Система смазки
2.9. Таблицы
3. Трансмиссия
4. Ходовая часть
5. Рулевой механизм
6. Тормозная система
7. Бортовое электрооборудование
8. Кузов
9. Схемы электрооборудования
 


2.7.10. Система улавливания паров топлива

Система улавливания паров топлива предотвращает попадание паров топлива из топливного бака в окружающую среду.
Пары собираются в емкость, заполненную активированным углем. Эти пары топлива участвуют в процессе сгорания при определенных режимах работы двигателя.
По конструкции и функциям эта система соответствующей системе модели Astra-G.

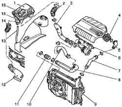
Воздуховод системы улавливания паров топлива
Рис. 2.304. Воздуховод системы улавливания паров топлива: 1 – корпус воздушного фильтра, верхняя часть; 2 – шланг воздухозаборника; 3 – шланг воздухозаборника турбонагнетателя; 4 – дроссельный патрубок; 5 – шланг воздуха наддува; 6 – турбонагнетатель с выпускным коллектором; 7 – шланг воздуха наддува; 8 – воздуховод наддува; 9 – промежуточный охладитель; 10 – шланг воздуха наддува; 11 – шланг воздуха наддува; 12 – резонатор; 13 – дренажная труба; 14 – впускная труба; 15 – корпус воздушного фильтра, нижняя часть; 16 – датчик массового расхода воздуха


Емкость с активированным углем располагается, в защищенном положении за пластмассовой крышкой с правой стороны в арке колеса.

Конструкция емкости с активированным углем
Рис. 2.305. Конструкция емкости с активированным углем: 1 – емкость с активированным углем





« предыдущая страница
2.7.9. Замена трубки заливной горловины топливного бака (бензиновые двигатели)
^
к оглавлению
следующая страница »
2.7.11. Замена передней вентиляционной трубки

Copyright © 2026 Все права защищены. Все торговые марки являются собственностью их владельцев.