поиск в избранное карта сайта
  Audi РЕМОНТ ОБСЛУЖИВАНИЕ ЭКСПЛУАТАЦИЯ АВТОМОБИЛЕЙ
Ауди А4. Audi A4 (с 2001 по 2005 год выпуска)

полные технические характеристики. диагностика. электросхемы
 
Главная
 
Audi
A4
1. Эксплуатация и техническое обслуживание автомобиля
2. Двигатель
2.1. Общие сведения
2.2. Предваритльные проверки
2.3. Механичская часть (бензиновые двигатели 2,0л)
2.4. Система смазки
2.5. Система охлаждения
2.6. Система впрыска
2.7. Система выпуска отработавших газов
2.8. Механическая часть (бензиновые двигатели 3,0; 3,2 л)
2.9. Механическая часть (бензиновые двигатели 4,2 л)
2.10. Механическая часть (дизельные двигатели 2,0 л)
2.10.1. Номер двигателя
2.10.2. Свечи накаливания
2.10.3. Снятие и установка поликлинового ремня
2.10.4. Снятие и установка натяжного элемента поликлинового ремня
2.10.5. Снятие и установка гасителя крутильных колебаний
2.10.6. Снятие и установка кронштейна дополнительных агрегатов
2.10.7. Снятие и установка зубчатого ремня
2.10.8. Корректировка фаз газораспределения
2.10.9. Проворачивание коленвала до ВМТ
2.10.10. Уплотнительные фланцы и двухмассовый маховик / маховик
2.10.11. Снятие и установка маховика, автомобили с multitronic
2.10.12. Шатунно-поршневая группа
2.10.13. Снятие и установка крышки головки блока цилиндров
2.10.14. Ремонт клапанного механизма
2.10.15. Снятие и установка распредвалов
2.10.16. Снятие и установка роликовых рычагов
2.10.17. Замена маслосъемных колпачков
2.10.18. Проверка гидравлических толкателей
2.11. Таблицы
3. Трансмиссия
4. Ходовая часть
5. Рулевой механизм
6. Тормозная система
7. Бортовое электрооборудование
8. Кузов
9. Схемы электрооборудования
 


2.10.14. Ремонт клапанного механизма

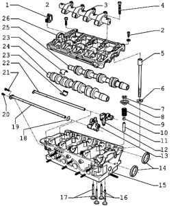
Компоненты клапанного механизма
Рис. 2.510. Компоненты клапанного механизма: 1 – кронштейн трубопровода – 10 Н·м; 2 – болт 20 Н·м; 3 – ось балансира; 4 – болт оси балансира; 5 – болт головки блока цилиндров; 6 – шайба; 7 – чеки клапана; 8 – тарелка пружины клапана; 9 – пружина клапана; 10 – маслосъемный колпачок; 11 – направляющая втулка клапана; 12 – роликовый рычаг; 13 – роликовый рычаг; 14 – уплотнительные кольца; 15 – головка блока цилиндров; 16 – впускные клапаны; 17 – выпускные клапаны; 18 – уплотнительное кольцо; 19 – ось; 20 – болт 10 Н·м; 21 – запорный болт 10 Н·м; 22 – ось; 23 – вкладыш подшипника; 24 – выпускной распредвал; 25 – впускной распредвал; 26 – рама опор



Проверка осевого смещения распредвалов

Проверка осевого смещения распредвалов
Рис. 2.511. Проверка осевого смещения распредвалов



Измерение проводите при снятых роликовых рычагах и смонтированном модуле опор.
Предельный допуск 0,15 мм.

« предыдущая страница
2.10.13. Снятие и установка крышки головки блока цилиндров
^
к оглавлению
следующая страница »
2.10.15. Снятие и установка распредвалов

Copyright © 2026 Все права защищены. Все торговые марки являются собственностью их владельцев.