поиск в избранное карта сайта
  Mercedes-Benz РЕМОНТ ОБСЛУЖИВАНИЕ ЭКСПЛУАТАЦИЯ АВТОМОБИЛЕЙ
Мерседес-Бенц 203. Mercedes-Benz C-класс (W203, с 2000 года выпуска)

полные технические характеристики. диагностика. электросхемы
 
Главная
 
Mercedes-Benz
C-класс (W203)
1. Введение
2. Руководство по эксплуатации
3. Текущее обслуживание
4. Двигатель
5. Системы охлаждения и отопления
6. Системы питания и выпуска
7. Электрооборудование двигателя
8. Ручная коробка передач
9. Автоматическая трансмиссия
10. Сцепление и приводные валы
11. Тормозная система
12. Подвеска и рулевое управление
13. Кузов
14. Бортовое электрооборудование
14.1. Спецификации
14.2. Диагностика неисправностей бортового электрооборудования - общая информация
14.3. Проверка электродвигателя стеклоочистителя
14.4. Проверка обогреваемого заднего стекла
14.5. Реле и предохранители
14.6. Замена ламп накаливания приборов наружного освещения
14.7. Замена ламп накаливания приборов внутреннего освещения
14.8. Снятие и установка датчика дневного света
14.9. Снятие и установка фары
14.10. Снятие и установка противотуманной фары
14.11. Снятие и установка рассеивателя противотуманной фары
14.12. Снятие и установка заднего фонаря
14.13. Замена батареи ключа зажигания / пульта дистанционного управления
14.14. Снятие и установка электродвигателя очистителя ветрового стекла
14.15. Снятие и установка электродвигателя очистителя заднего стекла
14.16. Снятие и установка резервуара воды и электродвигателя насоса
14.17. Снятие и установка датчика дождя
14.18. Снятие и установка звукового сигнала
14.19. Снятие и установка датчиков парковки
14.20. Снятие и установка датчика температуры наружного воздуха
14.21. Снятие и установка приборной доски
14.22. Снятие и установка подрулевого переключателя
14.23. Снятие и установка выключателя переднего плафона на потолке
14.24. Снятие и установка группы выключателей слева от пульта управления
14.25. Снятие и установка выключателя центральной консоли
14.26. Снятие и установка выключателей в дверях
14.27. Снятие и установка дверных выключателей внутреннего освещения
14.28. Снятие и установка предупредительных указателей помощника парковки
14.29. Снятие и установка прикуривателя
14.30. Снятие и установка радиоприёмника
14.31. Снятие и установка громкоговорителя
14.32. Цифровая шина данных CAN
14.33. Единый замок - общие сведения
14.34. Установка дополнительных электрических и электронных приборов
14.35. Назначение и расположение электрических разъёмов
14.36. Схемы электрооборудования
14.36.1. Модели 2000 г. выпуска
14.36.1.1. Распределение мощности
14.36.1.2. Разводка заземления
14.36.1.3. Система заряда
14.36.1.4. Система запуска
14.36.1.5. Вентилятор системы охлаждения
14.36.1.6. Темпостат
14.36.1.7. Система управления двигателем 2.3 л
14.36.1.8. Автоматический кондиционер воздуха
14.36.1.9. Бортовой компьютер
14.36.1.10. Диагностический разъём DLC
14.36.1.11. ABS
14.36.1.12. Шина CAN
14.36.1.13. Противоугонная система
14.36.1.14. Наружные осветительные приборы
14.36.1.15. Ксеноновые фары
14.36.1.16. Фары с DRL
14.36.1.17. Фары (без ксенона)
14.36.1.18. Приборная доска
14.36.1.19. Освещение салона при открывании дверей
14.36.1.20. Подсветка приборов
14.36.1.21. Система Parktronic (PTS)
14.36.1.22. Единый замок
14.36.1.23. Обогреватель стекла
14.36.1.24. Огни заднего хода
14.36.1.25. Цепи автоматического затемнения внутреннего зеркала заднего вида
14.36.1.26. Электропривод регулировки наружных зеркал заднего вида
14.36.1.27. Электропривод задних подголовников
14.36.1.28. Электропривод откидного верха / крышки верхнего люка
14.36.1.29. Привод отпускания защелки замка крышки багажного отделения
14.36.1.30. Обогрев сидений
14.36.1.31. Клаксон
14.36.1.32. Электропривод регулировки водительского сиденья
14.36.1.33. Электропривод регулировки пассажирского сиденья
14.36.1.34. Электропривод регуляторов стеклоподъёмников
14.36.1.35. Радиоприёмник с усилителем и шиной данных D2B
14.36.1.36. Радиоприёмник с усилителем и без шины данных D2B
14.36.1.37. Радиоприёмник без усилителя и с шиной данных D2B
14.36.1.38. Радиоприёмник без усилителя и без шины данных D2B
14.36.1.39. Системы дополнительной безопасности SRS
14.36.1.40. Автоматическая трансмиссия
14.36.1.41. Блокировка переключения трансмиссии
14.36.1.42. Очиститель / омыватель ветрового стекла
14.36.1.43. Очистители / омыватели линз блок-фар
14.36.2. Модели с 2001 г. выпуска
 


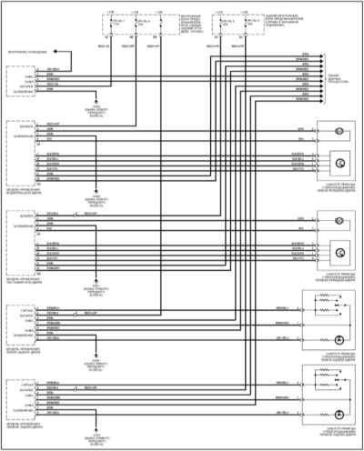
14.36.1.34. Электропривод регуляторов стеклоподъёмников


« предыдущая страница
14.36.1.33. Электропривод регулировки пассажирского сиденья
^
к оглавлению
следующая страница »
14.36.1.35. Радиоприёмник с усилителем и шиной данных D2B

Copyright © 2026 Все права защищены. Все торговые марки являются собственностью их владельцев.