поиск в избранное карта сайта
  Mercedes-Benz РЕМОНТ ОБСЛУЖИВАНИЕ ЭКСПЛУАТАЦИЯ АВТОМОБИЛЕЙ
Мерседес-Бенц 203. Mercedes-Benz C-класс (W203, с 2000 года выпуска)

полные технические характеристики. диагностика. электросхемы
 
Главная
 
Mercedes-Benz
C-класс (W203)
1. Введение
2. Руководство по эксплуатации
3. Текущее обслуживание
4. Двигатель
5. Системы охлаждения и отопления
6. Системы питания и выпуска
7. Электрооборудование двигателя
8. Ручная коробка передач
9. Автоматическая трансмиссия
10. Сцепление и приводные валы
11. Тормозная система
12. Подвеска и рулевое управление
13. Кузов
14. Бортовое электрооборудование
14.1. Спецификации
14.2. Диагностика неисправностей бортового электрооборудования - общая информация
14.3. Проверка электродвигателя стеклоочистителя
14.4. Проверка обогреваемого заднего стекла
14.5. Реле и предохранители
14.6. Замена ламп накаливания приборов наружного освещения
14.7. Замена ламп накаливания приборов внутреннего освещения
14.8. Снятие и установка датчика дневного света
14.9. Снятие и установка фары
14.10. Снятие и установка противотуманной фары
14.11. Снятие и установка рассеивателя противотуманной фары
14.12. Снятие и установка заднего фонаря
14.13. Замена батареи ключа зажигания / пульта дистанционного управления
14.14. Снятие и установка электродвигателя очистителя ветрового стекла
14.15. Снятие и установка электродвигателя очистителя заднего стекла
14.16. Снятие и установка резервуара воды и электродвигателя насоса
14.17. Снятие и установка датчика дождя
14.18. Снятие и установка звукового сигнала
14.19. Снятие и установка датчиков парковки
14.20. Снятие и установка датчика температуры наружного воздуха
14.21. Снятие и установка приборной доски
14.22. Снятие и установка подрулевого переключателя
14.23. Снятие и установка выключателя переднего плафона на потолке
14.24. Снятие и установка группы выключателей слева от пульта управления
14.25. Снятие и установка выключателя центральной консоли
14.26. Снятие и установка выключателей в дверях
14.27. Снятие и установка дверных выключателей внутреннего освещения
14.28. Снятие и установка предупредительных указателей помощника парковки
14.29. Снятие и установка прикуривателя
14.30. Снятие и установка радиоприёмника
14.31. Снятие и установка громкоговорителя
14.32. Цифровая шина данных CAN
14.33. Единый замок - общие сведения
14.34. Установка дополнительных электрических и электронных приборов
14.35. Назначение и расположение электрических разъёмов
14.36. Схемы электрооборудования
14.36.1. Модели 2000 г. выпуска
14.36.2. Модели с 2001 г. выпуска
14.36.2.1. Система управления бензинового двигателя 111
14.36.2.2. Система управления бензинового двигателя 112
14.36.2.3. Система управления бензинового двигателя 271
14.36.2.4. Система управления дизельного двигателя
14.36.2.5. Топливный насос
14.36.2.6. Блок управления замка зажигания
14.36.2.7. Модуль SAM
14.36.2.8. Приборная доска
14.36.2.9. Автоматический отопитель
14.36.2.10. Автоматический кондиционер воздуха
14.36.2.11. Блок управления автоматической трансмиссии
14.36.2.12. Блок управления автоматизированной КПП
14.36.2.13. Блок управления селектора АТ
14.36.2.14. Чувствительный к скорости ГУР
14.36.2.15. Противозаносная система ESP
14.36.2.16. Стоп-сигнал
14.36.2.17. Блок управления давлением колес
14.36.2.18. Система Distronic
14.36.2.19. Система Comand
14.36.2.20. Шина D2B
14.36.2.21. Сотовый телефон
14.36.2.22. CD чейнджер
 


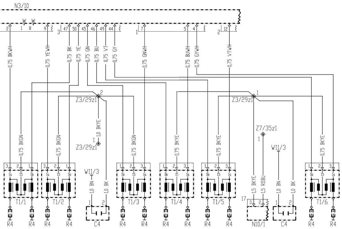
14.36.2.2. Система управления бензинового двигателя 112


« предыдущая страница
14.36.2.1. Система управления бензинового двигателя 111
^
к оглавлению
следующая страница »
14.36.2.3. Система управления бензинового двигателя 271

Copyright © 2026 Все права защищены. Все торговые марки являются собственностью их владельцев.